• Mario
  • Manfred
  • Horst
  •  

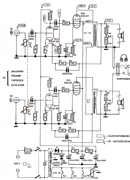
    Eintakt Endstufe mit 6V6 GT

    Meine Röhrengeschichte beginnt während meines Studiums der Elektrotechnik, mit der Fachrichtung Nachrichtentechnik. In dieser Zeit bekam ich das Buch "Audio- und Gitarrenschaltungen mit Röhren" von Rainer zur Linde in die Hand. In diesem fand ich kleine, "einfach" aussehende Schaltung einer Endstufe. Sie besteht aus einer Doppeltriode-Hälfte (ECC83) im Eingang und einer Pentode (6V6GT) im Ausgang. Ich nahm mir also vor, während des laufenden Semesters eine 6V6 GT Eintakt-Endstufe zu bauen.
    Doch vor jeden Erfolg haben die Götter den Schweiß (siehe Gehäuse) gesetzt, das hießt konkret Röhren, Übertrager, Widerstände und Kondensatoren besorgen und das Gehäuse planen und fertigen. Aber woher kriege ich alle Teile und welche sind die "besten". An diesem Punkt bin ich für die doch überaus hilfreiche Unterstützung von Manfred dankbar. Dieser "Röhren - Druide" betreibt dieses Hobby schon ein Weilchen länger und auf seine Erfahrung kann man wunderbar aufbauen.
    Nachdem alle Teile besorgt waren, das Gehäuseblech gebogen und mit Löchern versehen war, konnte ich endlich mit dem Aufbauen meiner ersten Röhren- Endstufe beginnen. Ein erster Pototyp dient dazu Schwachstellen herauszufinden und konstruktive Mängel zu beseitigen, ohne gleich hunderte von Euros fehlinvestiert zu haben. Doch selbst zu meiner Überraschung kam aus diesem Ding nach dem ersten Einschalten: Musik! Diese war zwar leise, ohne Bass und irgendwie komisch, aber es kam Musik.

    Zahlreiche Korrekturen später (korrekte Heizung an der ECC83, größere Kondensatoren an der Endröhren-Kathode, Symmetrierung der Heizspannung), stand einem richtigen Musikgenuss nichts mehr im Wege! Ein schickes neues Gehäuse und noch ein wenig Messtechnik ...

    Motiviert durch meine ersten klanglichen Erfahrungen mit Röhren, setzte ich in der ersten "richtigen" Version meines MV-1 noch einen drauf. Die in der Schaltung vorgeschlagende Zweiweggleichrichtung mit 1N4007s wurde durch eine Röhrengleichrichtung ersetzt. So wie es warscheinlich im Schaltplan auch mal vorgesehen war. Die Metallschichtwiderstände wurden durch Allen Bradly Kohleschichtwiderstände ersetzt. Die ersten Übertrager wurden durch größere ersetzt. Nur bei den Koppelkondensatoren konnte ich mich noch nicht zu Vitamin Q's durchringen, hier müssen es noch die FKP tun.