do it yourself
Dein Weg zum eigenen Röhrenverstärker könnte folgendermaßen aussehen:
Grundlagentheorie:
 |
 |
| Triode |
Pentode |
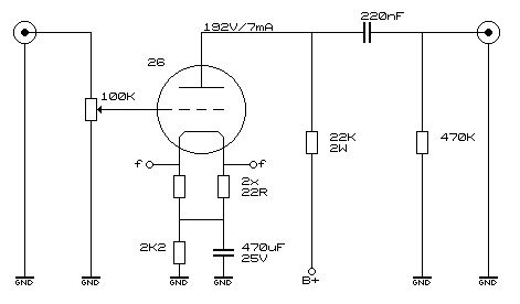
Um die Grundlage für eine röhrentechnische Zukunft zu legen, werden wir uns erst mit dem Aufbau und der
Funktion einer Verstärkerröhre beschäftigen.
Schaltungstechnologie:

Nachdem die Funktion der Röhre verstanden wurde, widmen wir uns den vielseitigen Schaltungsmöglichkeiten.
- Eintakt
- Gegentakt
- A- Betrieb
- AB- Betrieb
Planung

Wir werden gemeinsam in Unterlagen nach Deiner persönlichen Lösung suchen. Beispielsweise in der Literatur,
die ich seit 25 Jahren leidenschaftlich sammel.
- Ob für Gitarre oder Audio
- Ob viel oder wenig Leistung
- Ob Vorverstärker oder Endstufe
Umsetzung

Jetzt kommt richtig Freude auf.
- Die Bauteile müssen organisiert werden.
- Das Design des Gehäuses muss entworfen werden.
- Technische Umsetzung muss geklärt sein.
Alles Probleme, bei denen Du nicht alleine bist!
Schicke deine E-Post einfach an:
solutions@roehren-hobby.de
Inbetriebnahme:

“Vorsicht Lebensgefahr“
Bei der Inbetriebnahme ist Vorsicht geboten(!), deshalb wird jeder Verstärker erst von mir persönlich begutachtet,
dann in Betrieb genommen und anschließend durchgemessen.
Hören auf Vinyl

Nachdem der Frequenzgang und der Klirrfaktor bestimmt worden sind, kommt jetzt das wichtigste, der Klang.
Der Lohn für die viele Arbeit ist garantiert.
Gruß vom Röhren Hobby Team
Manfred & Mario